晶振中心
進口晶振
- SMI晶振
- KDS晶振
- 精工晶振
- 西鐵城晶振
- 愛普生晶振
- 村田晶振
- 日本NDK晶體
- 京瓷晶振
- 臺灣TXC晶振
- 泰藝晶振
- 亞陶晶振
- 希華晶體
- 臺灣津綻晶體
- 美國CTS石英晶振
- 加高晶體
- 大河晶振
- 鴻星晶振
- 富士石英晶體
- AKER晶振
- Lihom晶振
- NAKA晶振
- NKG晶振
- NJR晶振
- Sunny晶振
石英晶體諧振器
歐美晶振
- Abracon晶振
- ECS晶振
- Golledge晶振
- ILSI晶振
- FOX晶振
- fujicom晶振
- AEK晶振
- CRYSTEK晶振
- interquip晶振
- Geyer晶振
- quartzcom晶振
- qantek晶振
- EUROQUARTZ晶振
- quarztechnik晶振
- Cardinal晶振
- FRE-TECH晶振
- KVG晶振
- wi2wi晶振
- AEL晶振
- Transko晶振
- suntsu晶振
- mmdcomp晶振
- MERCURY晶振
- MTRONPTI晶振
- RALTRON晶振
- Microcrystal晶振
- SITIME晶振
- IDT晶振
- Pletronics晶振
- STATEK晶振
- Rakon晶振
- ConnorWinfield晶振
- JAUCH晶振
- VECTRON晶振
- Greenray晶振
- ECLIPTEK晶振
- ACT晶振
- MTI-milliren晶振
- Rubyquartz晶振
- Oscilent晶振
- SHINSUNG晶振
- ITTI晶振
- PDI晶振
- IQD晶振
- Microchip晶振
- Silicon晶振
- Fortiming晶振
- CORE晶振
- NIPPON晶振
- NICKC晶振
- QVS晶振
- Bomar晶振
- Bliley晶振
- GED晶振
- FILTRONETICS晶振
- STD晶振
- Q-Tech晶振
- Anderson晶振
- Wenzel晶振
- NEL晶振
- EM晶振
- PETERMANN晶振
- FCD-Tech晶振
- HEC晶振
- FMI晶振
- Macrobizes晶振
- AXTAL晶振
- ARGO晶振
- Skyworks晶振
- Renesas瑞薩晶振
數碼產品
智能家電
時計產品
車載產品
石英晶體振蕩器
.jpg)

XCB75-8M000-1A50B18,7050mm,8MHz,Fortiming富通晶振,XCB75,四腳貼片晶振,美國進口晶振,Fortiming晶振,富通晶振,型號:XCB75系列,編碼為:XCB75-8M000-1A50B18,頻率為:8MHz,精度:±50ppm,頻率穩定性:±50ppm,工作溫度范圍:-40℃至+85℃,負載:18pF,小體積晶振尺寸:7.0x5.0x1.3mm封裝,四腳貼片晶振,石英晶振,7050晶振,SMD晶振,無源晶振,石英晶體諧振器。具有超小型,輕薄型,高性能,卓越的可解性特點。應用于:汽車電子晶振,通訊設備晶振,無線網絡晶振,藍牙晶振,智能家居晶振,數碼電子晶振等應用。
XCB75-8M000-1A50B18,7050mm,8MHz,Fortiming富通晶振,XCB75,四腳貼片晶振,產品特點:
●符合RoHS標準(無鉛)
●重要的低頻范圍:4MHz~15MHz貼片晶振
●at切割晶體,真空密封,老化性能優良,溫度范圍延長
●工業標準足跡,緊湊型尺寸(7x5mm),最大高度為1.3mm
●卓越的可解性

.jpg)
XCB75-8M000-1A50B18,7050mm,8MHz,Fortiming富通晶振,XCB75,四腳貼片晶振,參數表
| Frequency | 8.0MHz |
| Resonance Mode | 1 = Fundamental |
| Calibration Tolerance @25°C | A = ±50 ppm; B = ±30 ppm; C = ±20 ppm; D = ±15 ppm; E = ±10 ppm |
| Frequency Stability Ref @25°C | 50 = ±50 ppm; 25 = ±25 ppm; 10 = ±10 ppm; 5 = ±5 ppm |
| Temperature Range | A = 0°C to 70°C; B = -40°C to 85°C; C = -10°C to 60°C; D = -20°C to 70°C |
| Standard Frequency Stability | 50C = ±50 ppm/-10°C to 60°C |
| Crystal Aging | ±5 ppm / year Maximum |
| Storage Temperature | -40°C to 85°C |
| Load Capacitance (CL) | CL = 7 pF - 32 pF, or S = Series resonant |
| Shunt Capacitance | 5 pF Maximum |
| Drive Level |
0.1 mW Typical, 1 mW Maximum |
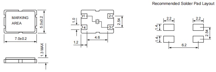
XCB75-8M000-1A50B18,7050mm,8MHz,Fortiming富通晶振,XCB75,四腳貼片晶振,尺寸圖

深圳市康華爾電子有限公司SHENZHEN KONUAER ELECTRONICS CO.,LTD
電 話:0755-27838351
手 機:13823300879
Q Q:632862232
E-mail:konuaer@163.com
網 址:http://www.fuleikeji.cn
地 址:廣東深圳市寶安寶安大道東95號浙商銀行大廈1905
















業務經理