晶振中心
進口晶振
- SMI晶振
- KDS晶振
- 精工晶振
- 西鐵城晶振
- 愛普生晶振
- 村田晶振
- 日本NDK晶體
- 京瓷晶振
- 臺灣TXC晶振
- 泰藝晶振
- 亞陶晶振
- 希華晶體
- 臺灣津綻晶體
- 美國CTS石英晶振
- 加高晶體
- 大河晶振
- 鴻星晶振
- 富士石英晶體
- AKER晶振
- Lihom晶振
- NAKA晶振
- NKG晶振
- NJR晶振
- Sunny晶振
石英晶體諧振器
歐美晶振
- Abracon晶振
- ECS晶振
- Golledge晶振
- ILSI晶振
- FOX晶振
- fujicom晶振
- AEK晶振
- CRYSTEK晶振
- interquip晶振
- Geyer晶振
- quartzcom晶振
- qantek晶振
- EUROQUARTZ晶振
- quarztechnik晶振
- Cardinal晶振
- FRE-TECH晶振
- KVG晶振
- wi2wi晶振
- AEL晶振
- Transko晶振
- suntsu晶振
- mmdcomp晶振
- MERCURY晶振
- MTRONPTI晶振
- RALTRON晶振
- Microcrystal晶振
- SITIME晶振
- IDT晶振
- Pletronics晶振
- STATEK晶振
- Rakon晶振
- ConnorWinfield晶振
- JAUCH晶振
- VECTRON晶振
- Greenray晶振
- ECLIPTEK晶振
- ACT晶振
- MTI-milliren晶振
- Rubyquartz晶振
- Oscilent晶振
- SHINSUNG晶振
- ITTI晶振
- PDI晶振
- IQD晶振
- Microchip晶振
- Silicon晶振
- Fortiming晶振
- CORE晶振
- NIPPON晶振
- NICKC晶振
- QVS晶振
- Bomar晶振
- Bliley晶振
- GED晶振
- FILTRONETICS晶振
- STD晶振
- Q-Tech晶振
- Anderson晶振
- Wenzel晶振
- NEL晶振
- EM晶振
- PETERMANN晶振
- FCD-Tech晶振
- HEC晶振
- FMI晶振
- Macrobizes晶振
- AXTAL晶振
- ARGO晶振
- Skyworks晶振
- Renesas瑞薩晶振
數碼產品
智能家電
時計產品
車載產品
石英晶體振蕩器
.jpg)

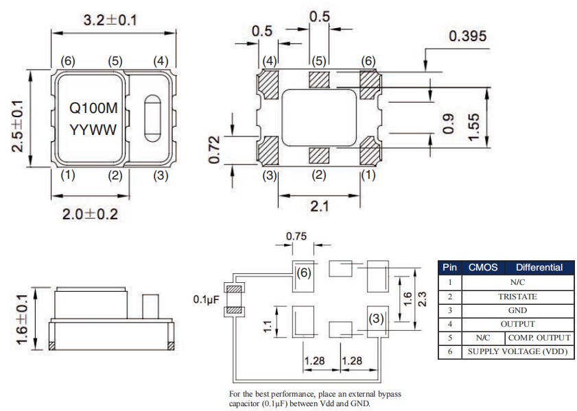
QTCT236LPB-125.000000,3225mm,125MHz,Q-Tech路由器晶振,QTCT236,差分晶振,美國進口晶振,Q-Tech晶振,型號:QTCT236,編碼為:QTCT236LPB-125.000000,電壓:+3.3V,LVPECL輸出TCXO振蕩器,頻率穩定性:±2.5ppm,工作溫度范圍:-40℃至+85℃,頻率為:125.000MHz,小體積晶振尺寸:3.2x2.5mm,六腳貼片晶振,溫補晶振,有源晶振,石英晶體振蕩器,石英晶振,差分晶體振蕩器。Q-Tech的表面安裝QTCT236振蕩器由一個IC 2.5Vdc或3.3Vdc TCXO內置在一個低輪廓陶瓷封裝與鍍金接觸墊。具有超小型,輕薄型,低抖動,低功耗,低相位噪聲,低電源電壓,低電平,低耗能,低損耗等特點。應用程序:千兆以太網晶振,光纖通道晶振,微處理器/DSP/FPGAS晶振,寬帶接入晶振,智能電網等應用。
QTCT236LPB-125.000000,3225mm,125MHz,Q-Tech路由器晶振,QTCT236,差分晶振,產品特點:
ECCN:EAR99
CMOS頻率范圍從10.000000MHz到250.000000MHz
差頻范圍從10.000000MHz到1.5000000GHz
占地面積:3.2x2.5mm差分晶振
CMOS、LVDS或LVPECL邏輯
2.5和3.3Vdc電源
工作溫度-40ºC至+85ºC可用
磁帶和卷軸包裝
根據MIL-PRF-55310對可用的3類設備進行軍事篩選測試
設計符合MIL-STD-883,方法2002,條件B(1500g峰值,0.5ms脈沖)
無鉛,符合RoHS
低相位抖動-0.8ps RMS,典型偏移為12kHz至20MHz

.jpg)
QTCT236LPB-125.000000,3225mm,125MHz,Q-Tech路由器晶振,QTCT236,差分晶振,參數表


QTCT236LPB-125.000000,3225mm,125MHz,Q-Tech路由器晶振,QTCT236,差分晶振,尺寸圖


深圳市康華爾電子有限公司SHENZHEN KONUAER ELECTRONICS CO.,LTD
電 話:0755-27838351
手 機:13823300879
Q Q:632862232
E-mail:konuaer@163.com
網 址:http://www.fuleikeji.cn
地 址:廣東深圳市寶安寶安大道東95號浙商銀行大廈1905











業務經理