晶振中心
進口晶振
- SMI晶振
- KDS晶振
- 精工晶振
- 西鐵城晶振
- 愛普生晶振
- 村田晶振
- 日本NDK晶體
- 京瓷晶振
- 臺灣TXC晶振
- 泰藝晶振
- 亞陶晶振
- 希華晶體
- 臺灣津綻晶體
- 美國CTS石英晶振
- 加高晶體
- 大河晶振
- 鴻星晶振
- 富士石英晶體
- AKER晶振
- Lihom晶振
- NAKA晶振
- NKG晶振
- NJR晶振
- Sunny晶振
石英晶體諧振器
歐美晶振
- Abracon晶振
- ECS晶振
- Golledge晶振
- ILSI晶振
- FOX晶振
- fujicom晶振
- AEK晶振
- CRYSTEK晶振
- interquip晶振
- Geyer晶振
- quartzcom晶振
- qantek晶振
- EUROQUARTZ晶振
- quarztechnik晶振
- Cardinal晶振
- FRE-TECH晶振
- KVG晶振
- wi2wi晶振
- AEL晶振
- Transko晶振
- suntsu晶振
- mmdcomp晶振
- MERCURY晶振
- MTRONPTI晶振
- RALTRON晶振
- Microcrystal晶振
- SITIME晶振
- IDT晶振
- Pletronics晶振
- STATEK晶振
- Rakon晶振
- ConnorWinfield晶振
- JAUCH晶振
- VECTRON晶振
- Greenray晶振
- ECLIPTEK晶振
- ACT晶振
- MTI-milliren晶振
- Rubyquartz晶振
- Oscilent晶振
- SHINSUNG晶振
- ITTI晶振
- PDI晶振
- IQD晶振
- Microchip晶振
- Silicon晶振
- Fortiming晶振
- CORE晶振
- NIPPON晶振
- NICKC晶振
- QVS晶振
- Bomar晶振
- Bliley晶振
- GED晶振
- FILTRONETICS晶振
- STD晶振
- Q-Tech晶振
- Anderson晶振
- Wenzel晶振
- NEL晶振
- EM晶振
- PETERMANN晶振
- FCD-Tech晶振
- HEC晶振
- FMI晶振
- Macrobizes晶振
- AXTAL晶振
- ARGO晶振
- Skyworks晶振
- Renesas瑞薩晶振
數碼產品
智能家電
時計產品
車載產品
石英晶體振蕩器

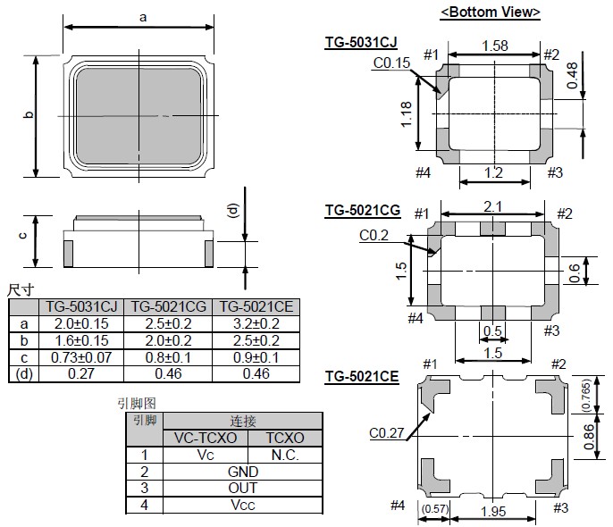
愛普生石英晶振,TG-5021CG溫補振蕩器,有源晶振,頻率范圍13MHz ~ 52MHz,電源電壓2.8V Typ.頻率溫度特征±2.0×10-6 Max.外部尺寸2.5×2.0×0.8mm,被廣泛應用于手機 (CDMA, WCDMA, GSM),具有低噪音特性.

在2010年晶振全球廠家排名中,占據首位.愛普生僅此一項水晶振動子行業就能足矣讓電子世界的人都敬佩不已.愛普生晶振以32.768KHZ晶振稱霸晶振行業,主要消費在手機,PCB,等電子產品.同時愛普生以提供原子鐘的精準振蕩器知名業界.僅此在音叉振子和振蕩器還遠遠達不到愛普生本身的要求.他們要求的是在元器件占領NO1.因此除了KHZ,MHZ的研究發展,另外還發明GHZ技術,使工藝技術達到人無完人,史前無例,實現以基波方式產生2.5GHz為止高頻的表面聲波(SAW)元器件.愛普生拓優科夢把半導體(IC)稱之為“產業之米”,并認為晶體元器件更是離不開的“產業之鹽”.將進一步致力于小型、高穩定、高精度晶體元器件的開發,為現有的應用程序以及生活新藍圖開拓廣闊前景.愛普生晶振在KHZ,MHZ,以及GHZ上都有重大突破,使得愛普生拓優科夢的晶體元器件已以23%的市場占有率位于業界第一.





愛普生以“省、小、精技術”為基礎,通過商品、服務、生產及銷售的每個環節提供被顧客所追求的降低環境負荷的價值.
新的視角:實現能夠改變顧客行為和業務模式的新商品、服務、功能和使用方案,降低環境負荷.
商品:進一步追求商品的小型輕量、節能、可循環和長壽命化,以滿足顧客需求的商品實現生命周期環境負荷減半.
生產:配合“降低總成本活動”和“品質提高活動”,實現高效、低環境負荷的生產工藝,從而奠定降低商品環境負荷的基礎.

環境活動方針 通過追求以QMEMS 技術為核心的“省、小、精”技術,來推動具有領先性的環保活動,把降低 環境負荷作為一種顧客價值提供給顧客.
1.創造并提供專研了“省、小、精”的水晶元器件及其關聯產品;并且構筑和革新既可以降低 環境負荷又可以提高生產性的生產流程的活動.
2.不僅遵守與環保相關的法規、條例及其他本公司贊同的要求事項,也根據需要自主性的制定基 準,通過持續性的展開環保活動來預防污染.
3.在設定環保目的與目標展開活動的同時,定期重審環境管理體系,努力提高環保活動的水平.
4.通過與地區的交流及社會貢獻活動,為地區的環保做貢獻.
5.將環保活動的信息向公司內外公開,積極努力的與地區社會及相關人員建立信賴關系,為社會的發展做出貢獻.
通過此方針的公文化,在向公司員工及從事本事業領域業務的所有相關人員徹底傳達的同時, 也向公司外部公開.

深圳市康華爾電子有限公司SHENZHEN KONUAER ELECTRONICS CO.,LTD
電 話:0755-27838351
手 機:13823300879
Q Q:632862232
E-mail:konuaer@163.com
網 址:http://www.fuleikeji.cn
地 址:深圳市寶安區67區留仙一路甲岸科技園3棟5樓








業務經理